منتجات
قضيب التعادل GGD
  • قضيب التعادل GGDقضيب التعادل GGD
  • قضيب التعادل GGDقضيب التعادل GGD
  • قضيب التعادل GGDقضيب التعادل GGD

قضيب التعادل GGD

يضمن Yitai Lock الأداء المتفوق للأقفال وقضبان التعادل GGD مع نظام الإنتاج المتطور. قضبان التعادل GGD هي مكون هيكلي مهم لنوع GGD نوع المفاتيح الثابتة ذات الجهد المنخفض ، يتميز بالبساطة والعملية.


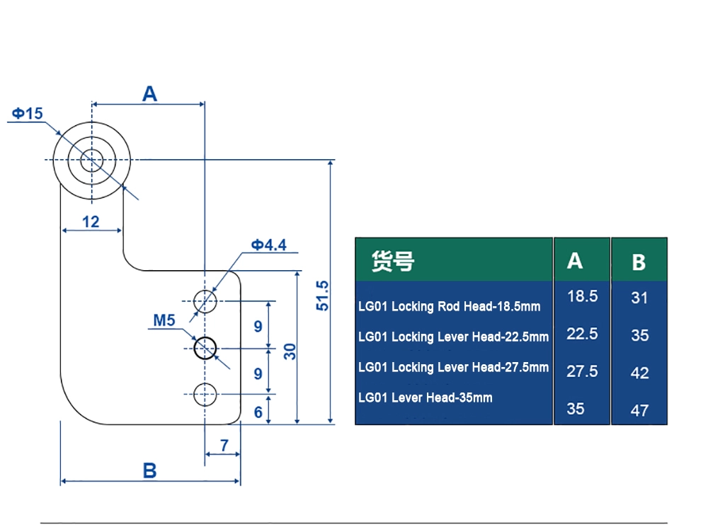
نموذج المنتج LG Series Locking Lover
مواد حديد
لون الحديد المجلفن
ميزات المنتج دوران مرن/لوحة سميكة/مكافحة التآكل ودائم
نطاق التطبيق صندوق التوزيع/خزانة/خزانة/جميع أنواع الصناديق الصناعية


يتم تصدير قضبان TIE GGD من Yitai Lock إلى جميع أنحاء العالم. تُستخدم قضبان التعادل GGD بشكل أساسي لإصلاح المكونات الكهربائية ودعمها وتوصيلها داخل الخزانة لضمان الاستقرار الهيكلي والسلامة الكهربائية لخزانة التوزيع.


أبعاد:

يبلغ الطول الافتراضي لقضيب التعادل في الصلب الكربوني (الحديد) 1000 مم ، ويمكن تخصيص أطوال وأقطار أخرى.


سمات

تُستخدم قضبان TIE GGD بشكل أساسي لإصلاح إطار الخزانة ، ودعم صفوف BUSBAR وتوصيل المكونات الكهربائية لضمان استقرار الهيكل الكلي لخزانة التوزيع.

طريقة التثبيت: توصيل الترباس أو اللحام مع الخزانة.

السلامة الكهربائية: ينبغي اعتبار تصميم قضبان التعادل للحفاظ على مسافة أمان كافية من الجسم المكهربة لمنع حدوث ظاهرة التفريغ الكهربائي.


دليل الاختيار

حدد طول قضيب التعادل GGD وفقًا لحجم الخزانة.

حدد السماكة وفقًا لمتطلبات تحمل الحمل.

ينصح الإصدار المجلفن للبيئات المسببة للتآكل.

للحصول على متطلبات الجماليات العالية ، يتوفر نسخة الرش البلاستيكية المخصصة.

Ggd Tie RodGgd Tie RodGgd Tie RodGgd Tie RodGgd Tie RodGgd Tie RodGgd Tie RodGgd Tie RodGgd Tie RodGgd Tie RodGgd Tie RodGgd Tie RodGgd Tie RodGgd Tie RodGgd Tie RodGgd Tie RodGgd Tie RodGgd Tie RodGgd Tie RodGgd Tie Rod


التعليمات

س: ماذا يمكنني أن أفعل إذا لم تقم قضبان التعادل بتلسكوب بسلاسة؟

ج: تحقق من عرقلة الكائنات الخارجية.

تشحيم المفاصل أو الأجزاء الخيوط.

البديل مطلوب إذا تم تشويه أو تلف.


س: هل من الممكن تخصيص طول قضيب TIE GGD؟

ج: دعم طول قضيب القفل المخصص وقطره


س: هل قضبان التعادل GGD مقاومة لدرجة الحرارة العالية؟

ج: مقاومة درجة حرارة الصلب العادية حوالي 200 درجة مئوية أو أقل.


س : كيف يمكنني معرفة ما إذا كان قضيب التعادل قد تالف؟

ج: راقب الانحناءات المرئية أو الشقوق أو الخيوط البالية.

قد يكون التلاشي أو التشويش أثناء الاختبار أضرارًا هيكلية داخلية


س: ما هو متوسط العمر المتوقع لقضيب التعادل GGD؟

ج: اعتمادًا على تواتر الاستخدام والتحميل والبيئة ، حتى عدة سنوات أو أكثر مع الصيانة العادية.


الكلمات الساخنة: GGD TIE ROD ، الشركة المصنعة الصينية ، أجهزة خزانة كهربائية ، مورد قفل Yitai ، مصنع قضيب التعادل المخصص
الفئة ذات الصلة
إرسال استفسار
معلومات الاتصال
  • عنوان

    رقم 16، طريق جينغيون، حديقة جينغشان الصناعية، هوانغوا، مدينة يويهتشينغ، مقاطعة تشجيانغ، الصين

  • بريد إلكتروني

    [email protected]

للحصول على استفسارات حول قفل الأجهزة أو مفصلات الأجهزة أو معالجة الأجهزة أو قائمة الأسعار ، يرجى ترك بريدك الإلكتروني إلينا وسنكون على اتصال في غضون 24 ساعة.
X
نحن نستخدم ملفات تعريف الارتباط لنقدم لك تجربة تصفح أفضل، وتحليل حركة مرور الموقع، وتخصيص المحتوى. باستخدام هذا الموقع، فإنك توافق على استخدامنا لملفات تعريف الارتباط. سياسة الخصوصية
يرفض يقبل